Skin: మన ముఖాల మీదే సెక్స్ చేసే ఈ సూక్ష్మజీవుల గురించి మీకు తెలుసా

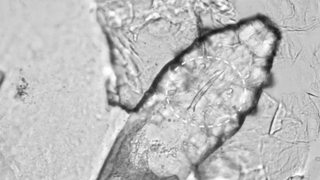
ఫొటో సోర్స్, UNIVERSITY OF READING
చర్మ సంరక్షణ, ఆరోగ్యం పట్ల చాలామంది శ్రద్ధ తీసుకుంటారు. డెడ్ స్కిన్ తొలగించడం, చర్మం పొడిబారిపోకుండా మాయిశ్చరైజ్ చేసుకోవడం, సూర్యకాంతి నుంచి కాపాడుకునేందుకు క్రీములు లేదా లోషన్లు వాడుతుండడం చేస్తుంటారు.
ఇంత శ్రద్ధ తీసుకున్నా మన చర్మం మీద ఒక రకమైన సూక్ష్మజీవులు నివసిస్తాయన్న సంగతి మీకు తెలుసా? నివసించడమే కాదు.. మన ముఖం మీదే జతకడతాయి. సెక్స్ చేస్తాయి.
వీటి పరిమాణం కేవలం 0.3 మిల్లీ మీటర్లు. మైక్రోస్కోపులో చూస్తే తప్ప కనిపించవు.
వీటిని 'డెమోడెక్స్ ఫోలిక్యులోరమ్' అంటారు. ఇవి చర్మ రంధ్రాల్లో నివాసం ఏర్పరచుకుంటాయి.
మరి వీటి సంగతేంటి? వీటి నుంచి చర్మాన్ని కాపాడుకోగలమా? ఇవి చర్మానికి మేలు చేస్తాయా? కీడు చేస్తాయా?
మన ముఖాల మీదే జీవిస్తాయి
ఈ సూక్షజీవులు రాత్రి పూట కదులుతాయి. తమ నివాస రంధ్రాలు వీడి బయటికొస్తాయి. కొత్త రంధ్రాలు వెతుక్కుని, అందులో ఉండే జీవులతో జతకడతాయి.
అయితే, ఈ సూక్షజీవులు అంతరించిపోయే ప్రమాదం పొంచి ఉందని ఇటీవలి అధ్యయనంలో తేలింది. వీటి డీఎన్ఏ క్షీణిస్తోందని ఈ అధ్యయనంలో కనుగొన్నారు.
ఇదంతా చదవగానే, బాత్రూంలోకి పరిగెత్తి ముఖం మీద ప్రతి అంగుళం బాగా రుద్ది కడుక్కోవాలని ఆలోచిస్తున్నారా?
అదేం చెల్లదు. ఎంత కడిగినా ఈ సూక్ష్మజీవులు చర్మాన్ని వదిలిపోవు. అవి చర్మం లోతుల్లో జీవిస్తాయి.
మీకు ఉపశమనం కలిగించే మాట ఒకటి చెప్పమంటారా? మీరొక్కరే కాదు, 90 శాతం కన్నా ఎక్కువ మంది చర్మం పైన ఇవి ఉంటాయి.
తల్లి పాలు తాగుతున్నప్పుడు ఇవి సంక్రమిస్తాయి. అంటే మనం పుట్టిన దగ్గర నుంచీ వీటికి ఆశ్రయం ఇస్తున్నామన్నమాట.
'ఈ సూక్ష్మజీవులు మనకు సాయం చేస్తాయి'
ఈ సూక్షజీవులకు నివాసం కల్పిస్తున్నందుకు, వీటితో ఇంత దగ్గర సంబంధం ఉన్నందుకు మనం సంతోషించాలని, ఇది వాటికి చేస్తున్న "ఉపకారంగా" భావించాలని యూనివర్సిటీ ఆఫ్ రీడింగ్లో ప్రొఫెసర్ డాక్టర్ అలెజాంద్రా పెరోట్టి అంటున్నారు. తాజా అధ్యయనంలో అలెజాంద్రా సహ పరిశోధకులు.
"అవి చాలా చిన్నగా, ముద్దుగా ఉంటాయి. వాటి వల్ల మనకు ఏ ప్రమాదం లేదు. నిజానికి అవి మనకు సాయం చేస్తాయి. చర్మ రంధ్రాలను శుభ్రపరచి, ఉబ్బిపోకుండా కాపాడతాయి" అని రేడియో 1 న్యూస్బీట్ కార్యక్రమంలో ఆమె వివరించారు.
"ఆందోళన చెందాల్సిన అవసరం లేదు. మన చర్మంపై మనతో పాటు అతి చిన్న సూక్ష్మజీవులు సహవాసం చేస్తున్నందుకు సంతోషించాలి. అవి మనకు ఎలాంటి హానీ కలిగించవు" అని అలెజాంద్రా అన్నారు.
ఈ జీవులతో మనకెంత సన్నిహిత సంబంధం ఉందో తాజా అధ్యయనం చెబుతుంది. అంతే కాకుండా, ఈ సూక్ష్మజీవుల్లో అతి తక్కువ జన్యుకణాలు (జీన్స్) ఉన్నాయని వెల్లడైంది. మరే ఇతర క్రిమి కీటకాల్లోనూ ఇంత తక్కువ జన్యువులు ఉండవు.
అయితే, యూవీ కాంతి కిరణాల నుంచి ఈ సూక్ష్మజీవులను రక్షించే జన్యువులు అదృశ్యమైపోయాయి. కానీ, ఈ జీవులు రాత్రి పూట మాత్రమే చురుకుగా ఉంటాయి కాబట్టి అంత ఇబ్బంది లేదు.
కాకపోతే, రాత్రిపూట వీటి కార్యకలాపాలు మనకు చిరాకు కలిగించవచ్చు.
"మనం మంచి గాఢ నిద్రలో ఉన్నప్పుడు ఇవి బయటికొచ్చి సహచరులను వెతుక్కుంటాయి. వాటితో జతకడతాయి. సంతానోత్పత్తి చేస్తాయి" అని డాక్టర్ అలెజాంద్రా వివరించారు.
మన చర్మ రంధ్రాలు వీటి రహస్య ప్రేమకలాపాలకు నిలయాలు. బావుంది కదా!

ఫొటో సోర్స్, UNIVERSITY OF READING
'ఇవి అంతరించిపోతే మనకే నష్టం'
ఈ సూక్ష్మజీవుల్లో జన్యు వైవిధ్యం తగ్గిపోతున్నకొద్దీ ఇవి మన మీద ఎక్కువ ఆధారపడతాయని తాజా అధ్యయనం చెబుతోంది. దానర్థం ఇవి అంతరించిపోయే ప్రమాదం పొంచి ఉందని.
ఉదాహరణకు, ఈ సూక్ష్మజీవులను మేలుకొలిపే, నిద్రపుచ్చే జన్యుకణాలను కనుగొనే ప్రయత్నం చేశారు. కానీ అవి కనబడలేదు.
అందువల్ల, ఇవి మన చర్మ రంధ్రాల్లో తక్కువ మోతాదులో ఉండే హార్మోన్లను ఆసరాగా చేసుకుంటున్నాయి. మనం నిద్రలో ఉన్నప్పుడు ఈ హార్మోన్లే వాటిని మేలుకొపుతాయి.
ఈ అమరిక సమస్యగా పరిణమించవచ్చు. అవి మనపై అధారపడడం ఎక్కువ అవుతున్న కొద్దీ, మరిన్ని జన్యువులను కోల్పోతూ ఉంటాయి. ఎంత ఎక్కువ ఆధారపడితే అంత ఎక్కువ జన్యునష్టం జరుగుతుంది. క్రమంగా అవి పూర్తిగా మనపై ఆధారపడే దశకు వచ్చేస్తాయి.
అదే జరిగితే, తమ నివాస రంధ్రాలను విడిచి బయటకు రాలేవు. తోటి జీవులతో జతకట్టలేవు. సంతానోత్పత్తి జరగదు.
సరే, ఇవి అంతరించిపోతే మనకు జరిగే నష్టం ఏంటి?
"ఇవి మన చర్మ ఆరోగ్యాన్ని సంరక్షిస్తాయి. ఈ జీవులు అంతరించిపోతే మానవులకు చర్మ సమస్యలు పెరగవచ్చు" అని డాక్టర్ అలెజాంద్రా అంటున్నారు.
ఇవి కూడా చదవండి:
- ‘ఇక్కడ సాయం చేయడమంటే శవాలను మోసుకెళ్లడమే’
- అగ్నిపథ్: అగ్నివీరుల భవిష్యత్పై 10 ముఖ్యమైన ప్రశ్నలు, సమాధానాలు
- ఆంధ్రప్రదేశ్ ప్రభుత్వంతో బైజూస్ ఒప్పందంలో ఏముంది, దీనిపై అభ్యంతరాలు ఎందుకు?
- దినేశ్ కార్తీక్: ఫినిష్ అయిపోయాడనుకున్న ప్రతిసారీ ఫీనిక్స్ లాగా పైకి లేస్తున్న క్రికెటర్
- ఈ యూట్యూబర్లు ఇచ్చే ఆర్ధిక సలహాతో లాభాలు సంపాదించొచ్చా, యూజర్లు ఎందుకు ఎగబడుతున్నారు
(బీబీసీ తెలుగును ఫేస్బుక్, ఇన్స్టాగ్రామ్, ట్విటర్లో ఫాలో అవ్వండి. యూట్యూబ్లో సబ్స్క్రైబ్ చేయండి.)


































