Cylchedau trydanMesur cerrynt a foltedd

Mae peirianwyr yn cysylltu cydrannau mewn cylchedau trydanol mewn cyfres neu’n baralel i wneud amrywiaeth o gylchedau defnyddiol. Gallwn gyfrifo'r foltedd, y cerrynt a'r gwrthiant yn y cylchedau hyn.

Part ofFfisegTrydan, egni a thonnau

Mesur cerrynt a foltedd

Mae angen i ti wybod sut i fesur y cerrynt sy'n llifo drwy gydran mewn cylched a'r foltedd ar ei thraws.

Diagram cylched gydag un switsh, un batri, un lamp ac un amedr wedi’u cysylltu mewn cyfres.
Figure caption,
Mae’r amedr a’r lamp mewn cylched gyfres

Mesur cerrynt

Mae cerrynt yn cael ei fesur mewn amperau. Mae amper yn aml yn cael ei dalfyrru i amp neu A. Amedr sy’n cael ei ddefnyddio i fesur y cerrynt sy’n llifo drwy gydran mewn cylched.

Cofia, mae'r cerrynt yr un fath ym mhob rhan o gylched gyfres.

Foltedd

Mae angen ar draws cydran drydanol fel bod cerrynt trydan yn gallu llifo ynddi. Mae batrïau neu gelloedd yn darparu’r gwahaniaeth potensial sydd ei angen yn aml.

Mesur foltedd

Mae gwahaniaeth potensial yn cael ei fesur mewn foltiau, (V).

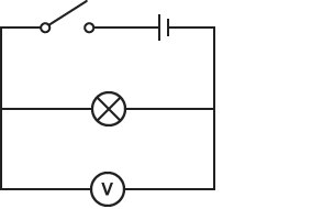
Diagram cylched gydag un switsh, un batri, un lamp ac un foltmedr wedi’u cysylltu mewn cyfres.
Figure caption,
Mae’r foltmedr yn baralel â’r lamp

Mae foltmedr yn cael ei ddefnyddio i fesur y gwahaniaeth potensial ar draws cydran mewn cylched.

Mae’n rhaid i’r foltmedr gael ei gysylltu yn baralel â’r gydran.