Kananan halittun da ke rayuwa da jima’i a fuskarku na cikin hadari

Asalin hoton, UNIVERSITY OF READING
Mutane kan yi amfani da hanyoyi da dama iri daban-daban wajen kula da fatar jikinsu.
To amma yaya batun ‘yan mitsi-mitsin halittun da ke rayuwarsu gaba daya a cikin kofofin fatarmu ta fuska?
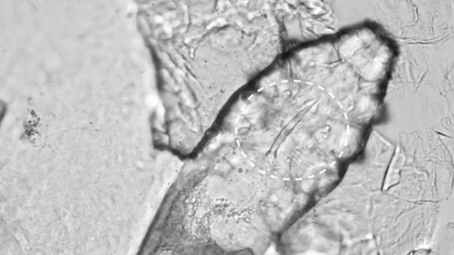
A cikin dare halittun masu tsawon 0.3mm kan fita daga kofofin da ke fuskarmu inda suke zuwa su hadu da abokan rayuwarsu, su sadu da juna.
To amma wani bincike ya nuna cewa wadannan mitsi-mitsin halittu na fuskantar matsala.
Saboda fasalin kwayoyin halittarsu (DNA) na bacewa, abin da ke nufin suna kan hanyar bata daga cikin halittun duniya.
Yanzu mun san abin da kake tunani a kai
Duk da irin yadda kake hanzari ka je wanka, ka yi amfani da sabulu da sauran abubuwa na gyaran jiki, kayi ta cuda fuskarka, ba za ka iya kaiwa ga wadannan halittu da ke rayuwa a fuskarka ba.
Ba don komai ba saboda suna cancan cikin kofofin da ke jikin fatarka ne, kama 'yan mitsi-mitsi ne.
Sama da kashi 90 cikin dari na mutane, muna dauke da wadannan halittu, inda suke rayuwa a fuskarmu tun lokacin da aka haife mu, domin muna daukarsu ne tun daga lokacin da ake shayar da mu nono.

Asalin hoton, Getty Images
Yanzu za ku iya samun labaran BBC Hausa kai-tsaye a wayoyinku.
Latsa nan domin shiga
Karshen Whatsapp
Dr Alejandra Perotti, ta Jami’ar Reading, wadda tana daga cikin wadanda suka wallafa nazarin ta ce, abu ne mai kyau da har muka kasance dandalin da wadannan halittu ke zama su rayu, har ma muke da wannan alaka ta kut da kut da su.
Perotti ta gaya wa shirin Newsbeat na Radio 1 na BBC cewa, ‘’Halittu ne ‘yan mitsi-mitsi.
Babu wata damuwa dangane da zamansu a fuskarmu.
Hasali ma suna tsaftace mana kofofin da ke fuskarmu, su sa su rage girma.''
‘’Kada ka damu. Ka gode cewa kana da ‘yan mitsi-mitsin halittu da ke rayuwa a jikinka, ba wata illa da suke yi maka," in ji ta.
Nazarin ba yana nuna yadda alakarmu ta kut da kut take da wadannan halittu ba ne kadai.
Yana kuma nuni da yadda halittun suke da kwayoyin halitta marassa yawa a idan aka kwatanta su da sauran halittu.
Sun rasa abubuwan da ke jikinsu na halitta wadanda ke kare su daga haske mai karfin gaske, wanda zai iya cutar da su.
To amma daman halittun da daddare suka fi gudanar da harkokinsu a fuskar tamu.
Kuma wannan hada-hada da suke yi da daddare ita ce za ta nemi ta firgita ka.
Da daddare, a lokacin da muke sharar baccinmu a lokacin ne wadannan halittu ke kara-kaina a tsakanin wadannan ‘yan kofofi ko ramuka da ke fuskarmu.
Su sadu da matansu har su haifi jarirai’’ in ji Dr Perotti.

Asalin hoton, UNIVERSITY OF READING
Binciken ya nuna cewa yayin da yanayin kwayar halittarsu ke kara kankancewa, dogaron da suke yi a kanmu na karuwa – abin da ke nufin suna cikin hadarin bacewa gaba-daya.
Masu binciken sun nemi kwayar halittar da ke sa su bacci da kuma sa su farka daga baccin, amma ba a ganta ba.
A maimakon haka, yanzu hlittun suna amfani da lokacin da jikinmu ba ya fitar da sinadarai masu yawa a fatarmu.
Wato lokacin da muke bacci kenan, to wannan ne ke sa su tashi daga bacci, su fara harkokinsu.
Wannan sauyi na rayuwarsu shi ne abin damuwa, yayin da suke kara dogaro da mu.
Wanda hakan na sa su rasa wasu kwayoyin halittarsu, abin da zai kai ga a karshe su dogara a kanmu kacokan domin rayuwarsu.
Saboda wannan dogaro da suke yi a kanmu, ba za su iya barin wadannan kofofin da ke fuskarmu ba, su samu wasu abokan tarayyar su zauna da su ba.
Hakan dai a takaice na nufin sun tattara rayuwarsu gaba daya, a wuri daya kenan.
To mece ce matsala idan muka rasa su?
Suna gyara wa mutum fata, saboda haka idan ka rasa su, za ka iya fuskantar matsaloli da fatarka,’’ in ji Dr Perotti.










