Series and parallel circuits - OCR 21st CenturySeries circuits

Electrical current transfers energy around circuits. There are two different types of circuits – series and parallel.

Part ofPhysics (Single Science)Electric circuits

Series circuits

Jonny Nelson introduces an animated explanation of circuits

In series circuits, electrical are connected one after another in a single loop.

Circuit rules

An will pass through every component on its way round the circuit. If one of the bulbs is broken then will not be able to pass round the circuit. If one bulb goes out, they all go out.

Learn more on series and parallel circuits in this podcast

Current in series

A series circuit diagram with two lamps and three ammeters

A circuit is one loop; all electrons in that loop form one current. An will measure the same current wherever it is placed in the circuit:

\(I_{1} = I_{2} = I_{3}\)

This is when:

current (I) is measured in amps (A)

If the resistance of any component in a series circuit changes, this will change the value of the current in the circuit.

Potential difference in series

The current will transfer from the power supply to the components in the circuit. Since energy has to be conserved, all of the source energy is shared between the components. Since is used to measure changes in energy, the potential difference supplied is equal to the total of the potential differences across all other components:

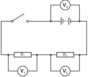
Circuit containing a switch, battery and two resistors labelled R1 and R2 in series. There are voltmeters in parallel to the resistors and battery.

\(V_{s} = V_{1} + V_{2}\)

This is when:

potential difference (V) is measured in volts (V)

If the resistance of any component in a series circuit changes, this will change the potential difference across all of the components.