Process devices
Process devices operate when an input level, such as voltage, reaches the required value for the device to operate.
Switches
Transistor
Used in electronic switching circuits
The transistor switch
A transistor can be used as a switch. When used as a switch, a transistor may conduct or not conduct.
When it conducts, a transistor is said to be ON, when not conducting, it is OFF.
Npn transistor
The transistor is on, when the input voltage is greater than or equal to \(0.7 V\).
The transistor is off if the input voltage is less than \(0.7 V\).
Mosfet transistor
The mosfet is on, when the input voltage is normally greater than or equal to \(2.0 V\).
The mosfet is off if the input voltage is normally less than \(2.0 V\).
By looking at a circuit diagram of a transistor switching circuit, you should be able to say what the circuit is used for and be able to explain how it operates.
Question
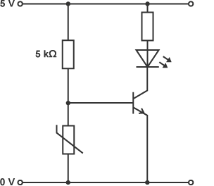
This transistor switching circuit uses an npn transistor, a voltage divider (consisting of a \(5 kΩ \) resistor and thermistor) and a \(5 V\) power supply.
Use the information in the table to explain whether the transistor is on or off at the temperatures \(40^\circ C\,and\,20^\circ C\):
| Temperature (\(^\circ C\)) | Thermistor resistance (\(\Omega\)) |
| 20 | 1000 |
| 40 | 600 |
| Temperature (\(^\circ C\)) | 20 |
|---|---|
| Thermistor resistance (\(\Omega\)) | 1000 |
| Temperature (\(^\circ C\)) | 40 |
|---|---|
| Thermistor resistance (\(\Omega\)) | 600 |
The transistor will be on if the input voltage is \(\geq 0.7V\).
The input voltage in this circuit is equal to the voltage across the thermistor.
Use the voltage divider equation to calculate the voltage (\(V2\)) across the thermistor.
\({V_2} = {V_s} \times \frac{{{R_2}}}{{{R_1} + {R_2}}}\)
\(At\,40^\circ C:\)
\({V_2} = 5 \times \frac{{600}}{{5000 + 600}}\)
\({V_2} = 0.54V\)
Since \(V2 \textless 0.7V\) the transistor is off at \(40^\circ C\).
\(At\,20^\circ C:\)
\({V_2} = 5 \times \frac{{1000}}{{5000 + 1000}}\)
\({V_2} = 0.83V\)
Since \(V2 \textgreater 0.7V\) the transistor is on at \(20^\circ C\).
This is an example of a temperature sensitive switching circuit.
Question
This transistor switching circuit uses a mosfet transistor, a voltage divider (consisting of a \(5 kΩ\) resistor and an LDR) and a \(5 V\) power supply.
Use the information in the table to explain whether the mosfet transistor is on or off at light levels of 10 lux and 1000 lux
| Light level (lux) | LDR resistance (k\( \Omega\)) |
| 1000 | 0.84 |
| 10 | 14.5 |
| Light level (lux) | 1000 |
|---|---|
| LDR resistance (k\( \Omega\)) | 0.84 |
| Light level (lux) | 10 |
|---|---|
| LDR resistance (k\( \Omega\)) | 14.5 |
The mosfet will be on if the input voltage is \(\geq 2.0V\).
The input voltage in this circuit is equal to the voltage across the LDR.
Use the voltage divider equation to calculate the voltage \((V_{2})\) across the LDR.
\(V_{2} = V_{S} \times \frac{R_{2}}{R_{1} + R_{2}}\)
At 1000lux
\(V_{2} = V_{S} \times \frac{0.84 \times 10^{3}}{(5 + 0.84) \times 10^{3}}\)
\(V_{2} = 0.72V\)
Since \(V_{2} \textless 2V\) the mosfet is off at 1000 lux
At 10 lux:
\(V_{2} = V_{S} \times \frac{14.5 \times 10^{3}}{(5 + 14.5) \times 10^{3}}\)
\(V_{2} = 3.7V\)
Since \(V_{2} \textgreater 2V\) the mosfet is on at 10 lux.
This is an example of a light dependent switching circuit, switching a relay on, which then switches a lamp on, when it becomes dark.