Revise: Ohm's LawResistors in series circuits

Ohm’s law relates the resistance of a component to its voltage and current. Applying circuit rules for current and voltage with Ohm’s Law allows us to formulate rules to determine total resistance.

Part ofPhysicsRevision guides: Electricity

Resistors in series circuits

When resistors are connected together in series, we can add their resistances together to find the total resistance in the circuit.

We write this relationship as;

\({R_T} = {R_1} + {R_2} + {R_3} + ...\)

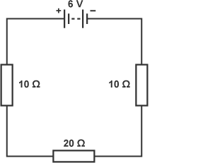
Question

Calculate the total resistance (RT) in the series circuit shown below.

Circuit with a 6 V battery, two 10 ohm resistors and a 20 ohm resistor in series.
Figure caption,
Circuit with a 6 V battery, two 10 ohm resistors and a 20 ohm resistor in series.