Revise: Current, potential difference, power and resistanceWheatstone bridge circuit

Current, potential difference, power and resistance can be calculated to analyse circuits including potential dividers and Wheatstone bridges. Calculations may involve several steps.

Part ofPhysicsRevision guides: Electricity

Wheatstone bridge circuit

A Wheatstone bridge is an example of voltage dividers with two voltage dividers in parallel. The "bridge" is the difference in p.d. between the two voltage dividers.

Although not explicitly part of the Higher Physics course it is an application of voltage divider circuits.

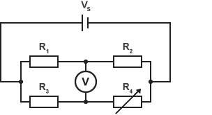
Wheatstone bridge. R4 is variable. R1 & R2 are in series, as are R3 & R4. R1 & R2 are in parallel to R3 & R4. 1 terminal of voltmeter is connected between R1 & R2. Other is connected between R3 & R4.

A Wheatstone bridge circuit can be used to find the resistance of a resistor or it can be used with sensors, such as thermistors, to make measurements.

The , \({R_4}\), is adjusted until the voltmeter reads zero volts. At this point we say that the bridge is balanced.

If we know the value of three of the resistors in a balanced Wheatstone bridge circuit we can calculate the value of the fourth resistor.

If a Wheatstone bridge is balanced the voltmeter will have a zero reading.

Question

If the supply voltage \({V_S}\) of a balanced Wheatstone bridge is doubled, will the bridge still be balanced?

Question

Wheatstone bridge. R4 is variable. R1 & R2 are in series, as are R3 & R4. R1 & R2 are in parallel to R3 & R4. 1 terminal of voltmeter is connected between R1 & R2. Other is connected between R3 & R4.

The Wheatstone bridge shown above is balanced.

If \({R_1} = 220\Omega\), \(R_{2} = 550\Omega\), and \(R_{4} = 1000\Omega\), what is the value of \(R_{3}\)?