Revise: Current, potential difference, power and resistanceVoltage dividers

Current, potential difference, power and resistance can be calculated to analyse circuits including potential dividers and Wheatstone bridges. Calculations may involve several steps.

Part ofPhysicsRevision guides: Electricity

Voltage dividers

Voltage dividers use two resistors in series to split the p.d. in the ratio of the resistors. can be calculated by considering the voltage divider as a series circuit. Voltage dividers often contain sensors.

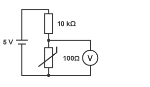
A thermistor and resistor

A circuit diagram containing a 5V cell, a 10 kilo ohm resistor, a 100 ohm thermistor and a voltmeter across the thermistor.

In the example above a \(10k \Omega\) resistor (\(R_{1}\)) is connected in series with a (\(R_{th}\)) to create a voltage divider. The total voltage across both components is \(5.0V\).

When the thermistor is placed in a warm environment it has a resistance of \(100 \Omega\). We can calculate the voltage across the thermistor under these conditions.

First find the total resistance of the voltage divider.

\({R_S}={R_{th}}+{R_1}\)

\(= 100 + 10000\)

\(= 10100 \Omega\)

Then find the current through the components.

\({I_S} = \frac{{{V_S}}}{{{R_S}}} = \frac{5}{{10100}}\)

\(=0.000495 A\)

\(= 495\mu {\rm A}\)

The current through the components is \(495\mu {\rm A}\)

Now find the voltage across the thermistor.

\({V_{th}} = {I_S}{R_{th}}\)

\(=0.000495 \times 100\)

\(0.0495V\)

\(=49.5mV\)

The voltage across the thermistor, \(V_{th} = 49.5mV\).

The voltage across the resistor can be calculated as follows:

\(V_{R} = V_{S}-V_{th}\)

\(= 5.0 - 0.0495\)

\(= 4.95V\)

If the thermistor is moved to a freezer its resistance rises to \(40k\Omega\). The resistance of the resistor remains the same.

We can calculate the voltage across the thermistor now using the same method.

Find the total resistance of the voltage divider.

\({R_S}={R_{th}}+{R_1}\)

\(=40000 + 10000\)

\(=50000\Omega\)

Then find the current through the components.

\({I_S} = \frac{{{V_S}}}{{{R_S}}} = \frac{5}{{50000}}\)

\(=0.0001A\)

\(=100\mu {\rm A}\)

Now find the voltage across the thermistor.

\({V_{th}} = {I_S}{R_{th}}\)

\(=0.0001 \times 40000\)

\(= 4.0 V\)

The voltage across the thermistor is \(4.0 V\).

The voltage across the resistor, \({V_R} = {V_S} - {V_{th}}\)

\(=5.0 - 4.0\)

\(= 1.0 V\)

When the thermistor is warm the voltage across it in the voltage divider is very low (about \(0.05V\)) but when it is cold the voltage rises to \(4.0 V.\)