Nanotubos de carbono: la tecnología que puede reemplazar al cobre
- Autor, Alejandra Martins
- Título del autor, BBC Mundo
- Tiempo de lectura: 5 min
En una de las academias de ciencia más antiguas del mundo, en Londres, un joven científico mexicano habló con pasión al público británico sobre una de las tecnologías más innovadoras.

César Miranda-Reyes es investigador del Departamento de Materiales de la Universidad de Cambridge, una de las instituciones invitadas a exponer en el reciente festival anual de ciencia de la Royal Society.
Cientos de personas de todas las edades visitaron los stands de cada centro y escucharon a Miranda Reyes y sus colegas de Cambridge hablar sobre nanotubos de carbono, un material más de diez mil veces más fino que un cabello humano que podría revolucionar el acceso a la electricidad y llegar incluso a reemplazar el cobre.
"Uno de los principales problemas que hemos comenzado a enfrentar es la creciente demanda de electricidad y aunado a ella, el continuo incremento en los precios del cobre producto de la escasez de este material. Es necesario encontrar nuevos materiales conductores que ayuden a satisfacer nuestra necesidad de electricidad", dijo a BBC Mundo Miranda-Reyes, quien realiza actualmente su doctorado en la Universidad de Cambridge.
"Por otro lado, a pesar de que el cobre ha sido por mucho años el material utilizado en casi todas las aplicaciones electrónicas gracias a su excelente conductividad eléctrica, muchas aplicaciones y dispositivos electrónicos en la actualidad comienzan a requerir características q ue el cobre no posee; por ejemplo, materiales cada vez más ligeros son necesarios en cualquier tipo de vehículo para reducir el peso del vehículo y por tanto el consumo de combustible".
Los nanotubos de carbono pueden obtenerse además a partir de metano, ofreciendo una tecnología con menor impacto ambiental que el relacionado con la extracción del cobre.
¿Pero qué son exactamente los nanotubos de carbono?
Similar a un panal de abejas
"Un nanotubo de carbono es un cilindro hueco y extremadamente pequeño cuyas paredes están formadas por átomos de carbono acomodados de tal manera que forman una red de hexágonos, muy similar a un panal de abejas en el que los átomos de carbono se encuentran en los vértices de cada hexágono. Estas nanoestructuras, además de ser uno de los materiales más ligeros y fuertes que se conocen, también son excelentes conductores de electricidad", dijo a BBC Mundo Miranda-Reyes.
El investigador de la Universidad de Cambridge explicó que existen distintos tipos de nanotubos de carbono y la diferencia radica en la orientación de la red de hexágonos con relación al eje del nanotubo.
"Dicha orientación es muy importante, pues determina las propiedades electrónicas del material".
Existen diferentes procedimientos para sintetizar nanotubos de carbono. "El método que utilizamos en la universidad para generar las fibras de nanotubos de carbono es la deposición química del vapor (CVD por sus siglas en inglés)".
"Se trata de un proceso de síntesis en el que se introducen a un horno que se encuentra en su parte central a un poco más de 1000 grados centígrados precursores de carbono y un catalizador en estado gaseoso. Cuando el precursor, que es un gas que contiene carbono (por ejemplo metano), llega a la zona más caliente del horno, las moléculas del gas se descomponen produciendo átomos de carbono que comienzan a nuclear en las partículas catalizadoras. Los átomos de carbono se acomodan sobre estas partículas formando los nanotubos de carbono".

Miranda-Reyes explicó a BBC Mundo que la reacción forma una nube de nanotubos que es transportada a una zona del horno que se encuentra a una temperatura más baja.
"Es ahí en donde la nube se condensa y puede comenzar a enrollarse en forma de fibra. Una vez que la nube se ha enrollado se extrae del horno y se enrolla de forma continua en un rodillo que gira a una velocidad constante colectando la fibra. El material resultante es un hilo muy delgado".
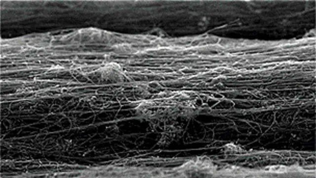
El "hilo" que sale del horno es la fibra de nanotubos de carbono. Esta fibra está formada por millones de nanotubos principalmente orientados paralelamente al eje longitudinal de la fibra. "Cada hilo que sale del horno tiene un diámetro de unos micrómetros (análogos a un décimo de un cabello humano). Si hablamos de un sólo nanotubo (la nanoestructura), entonces las dimensiones son nanómetros (más de 10 mil veces más delgado que un cabello humano)".
El científico explicó que enrollando varias hebras se pueden formar cables que además de ser muy ligeros y resistentes, son conductores de electricidad, explicó el investigador mexicano.
Más verde
"La producción de fibras de nanotubos de carbono desarrollado en la Universidad de Cambridge requiere dos componentes principales, una fuente de carbono de donde se puedan extraer los átomos de carbono y partículas catalizadoras que sirven para comenzar la formación de los nanotubos".

"El proceso de fabricación de las fibras requiere que la fuente de carbono sea introducida en un estado gaseoso, gracias a esto, gases de invernadero como el metano (CH4) y el dióxido de carbono (CO2) pueden ser utilizados en la formación de este material", señaló Miranda-Reyes.
El investigador explicó a BBC Mundo que para poder reemplazar al cobre es fundamental mejorar la conductividad eléctrica de los cables producidos con nanotubos de carbono.
Una vez que en el futuro se alcance una conductividad similar a la del cobre, "las ventajas de las fibras de nanotubos, como el hecho de que son extremadamente ligeras, flexibles, muy fuertes, resistentes a la corrosión y no tan costosas como el cobre si son producidas a grandes escalas convertirán a este nuevo material en una alternativa viable para reemplazar al cobre".
Miranda-Reyes precisó que se trata de un proceso largo, "que requiere aún mucha investigación encaminada tanto a mejorar la producción de las fibras de nanotubos como al control de sus propiedades" y "uno de los retos más difíciles que enfrenta la nanotecnología es poder llevar las características de estructuras en una escala nanométrica a materiales macroscópicos".
Conductividad

En el caso de los cables de nanotubos de carbono, a pesar de que los nanotubos pueden conducir corriente más eficientemente que cualquier metal, "cuando se producen en forma de fibra la conductividad del material resultante disminuye considerablemente. Esto se debe a que la fibra está formada por millones de nanotubos con tan sólo unos milímetros de longitud unidos unos con otros; estas uniones crean pequeñas barreras para el flujo libre de los electrones, lo cual resulta en perdidas de conductividad eléctrica".
Lo particular del proceso de fabricación de fibras de nanotubos de carbono desarrollado en la Universidad de Cambridge, comparado con el trabajo realizado en otros centros, "es que la fibra se condensa directamente de la fase gaseosa en la que se forman los nanotubos. Esto permite una producción continua de la fibra, lo cual es fundamental para poder llevar la fabricación de este material a escalas industriales".
Otros métodos "dispersan los nanotubos en alguna solución líquida y después los condensan en forma de fibra, otros sintetizan nanotubos en forma de "carpetas" o "bosques" (se les conoce como mats o forest) y después los enrollan para formar las fibras".
A nivel personal, César Miranda-Reyes dijo a BBC Mundo que un aspecto fascinante de la nanotecnología es "que es un campo multidisciplinario en el que convergen muchas ramas de la ciencia y que por lo tanto requiere de un continuo aprendizaje para alcanzar un conocimiento profundo de algún tema".
"En términos más generales, la sensación que se obtiene cuando se termina alguna etapa de un proyecto de investigación que produjo resultados tangibles es muy grata. A veces se obtienen resultados que nadie había encontrado antes y ser parte de ese tipo de investigaciones produce una satisfacción muy grande".









