Investigating I-V characteristics of electrical components
Dr Maggie Aderin-Pocock and Dr Alex Lathbridge investigate I-V characteristics of electrical components
Investigating resistance and potential difference experiment
There are different ways to investigate the relationship between currentMoving electric charges, eg electrons moving through a metal wire. and potential differenceThe potential difference (or voltage) of a supply is a measure of the energy given to the charge carriers in a circuit. Units = volts (V). This is the voltage between two points that makes an electric current flow between them. for different circuit elements. In this practical activity, it is important to:
- use appropriate apparatus and methods to measure current and potential difference
- measure and record current and potential difference for a resistorAn electrical component that restricts the flow of electrical charge. Fixed-value resistors do not change their resistance, but with variable resistors it is possible to vary the resistance., filament bulb and diodeAn electrical device that allows current to flow in one direction only.
Resistor and filament bulb
Aims
To investigate the relationship between current and potential difference for a resistor and a filament bulb.
Method
- connect the circuit as shown in the diagram
- ensure that the power supply is set to zero at the start
- record the reading on the voltmeterA device used to measure potential difference or voltage. and ammeterA device used to measure electric current.
- use the variable resistorA resistor where the value of the resistance can be changed. to alter the potential difference
- record the new readings
- repeat steps 3 to 5, increasing the potential difference slightly each time
- repeat steps 1 to 6, but with the power supply reversed
- repeat the experiment, but replace the fixed resistorElectrical component with a resistance that is fixed and cannot be changed. with a bulb
Results
Record the results in a suitable table. This one shows some example results for a 10 Ω fixed resistor.
| Potential difference (V) | Current (A) |
| 0.5 | 0.05 |
| 1.0 | 0.10 |
| 1.5 | 0.15 |
| 2.0 | 0.20 |
| Potential difference (V) | 0.5 |
|---|---|
| Current (A) | 0.05 |
| Potential difference (V) | 1.0 |
|---|---|
| Current (A) | 0.10 |
| Potential difference (V) | 1.5 |
|---|---|
| Current (A) | 0.15 |
| Potential difference (V) | 2.0 |
|---|---|
| Current (A) | 0.20 |
Analysis
Plot a graph of current against potential difference for each componentA device in an electric circuit, such as a switch or lamp..
Evaluation
For a fixed resistor, the potential difference is directly proportional to the current, so doubling the amount of energy into the resistor results in the current in the resistor being doubled.
This relationship is called Ohm's LawThe rule that states that the current (I) flowing through a resistor (R) is directly proportional to the voltage (V) across the resistor, provided the temperature remains constant. and is true because the resistanceThe opposition in an electrical component to the movement of electrical charge through it. Resistance is measured in ohms. of the resistor is fixed and does not change. A resistor is an ohmic conductorA device that obeys Ohm's Law - potential difference and current are proportional, eg wire, resistor..
In a filament bulb, the current does not increase at the same rate as the potential difference. Doubling the amount of energy does not cause a doubling of current. The more energy that is put into the bulb, the harder it is for charge to flow – the resistance of the bulb increases. As the potential difference increases, so does the temperature of the thin wire inside the bulb, the filament. This increases the resistance of the filament.
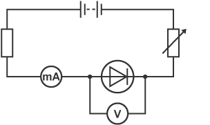
Diode
Aims
To investigate the relationship between current and potential difference for a diode.
Method
- Connect the circuit as shown in the diagram. The diode must be protected with a suitable protective resistor (between 100 Ω and 500 Ω).
- Set the variable resistor to give the lowest potential difference. Record the readings on the voltmeter and milliammeter (an ammeter capable of reading to ±1 mA).
- Alter the variable resistor to increase the potential difference by 0.2 V.
- Record the new readings.
- Repeat steps 3 and 4, increasing the current slightly each time.
- Reverse the power supply connections and repeat steps 2 to 6.
Results
Record the results in a suitable table. This shows some example results:
| Potential difference (V) | Current (mA) |
| 0.2 | 0 |
| 0.4 | 0 |
| 0.6 | 0 |
| 0.8 | 0 |
| 1.0 | 0 |
| 1.2 | 0 |
| 1.4 | 1 |
| 1.6 | 3 |
| 1.8 | 8 |
| 2.0 | 20 |
| Potential difference (V) | 0.2 |
|---|---|
| Current (mA) | 0 |
| Potential difference (V) | 0.4 |
|---|---|
| Current (mA) | 0 |
| Potential difference (V) | 0.6 |
|---|---|
| Current (mA) | 0 |
| Potential difference (V) | 0.8 |
|---|---|
| Current (mA) | 0 |
| Potential difference (V) | 1.0 |
|---|---|
| Current (mA) | 0 |
| Potential difference (V) | 1.2 |
|---|---|
| Current (mA) | 0 |
| Potential difference (V) | 1.4 |
|---|---|
| Current (mA) | 1 |
| Potential difference (V) | 1.6 |
|---|---|
| Current (mA) | 3 |
| Potential difference (V) | 1.8 |
|---|---|
| Current (mA) | 8 |
| Potential difference (V) | 2.0 |
|---|---|
| Current (mA) | 20 |
When the power supply is reversed:
| Potential difference (V) | Current (mA) |
| 0.2 | 0 |
| 0.4 | 0 |
| 0.6 | 0 |
| 0.8 | 0 |
| 1.0 | 0 |
| 1.2 | 0 |
| 1.4 | 0 |
| 1.6 | 0 |
| 1.8 | 0 |
| 2.0 | 0 |
| Potential difference (V) | 0.2 |
|---|---|
| Current (mA) | 0 |
| Potential difference (V) | 0.4 |
|---|---|
| Current (mA) | 0 |
| Potential difference (V) | 0.6 |
|---|---|
| Current (mA) | 0 |
| Potential difference (V) | 0.8 |
|---|---|
| Current (mA) | 0 |
| Potential difference (V) | 1.0 |
|---|---|
| Current (mA) | 0 |
| Potential difference (V) | 1.2 |
|---|---|
| Current (mA) | 0 |
| Potential difference (V) | 1.4 |
|---|---|
| Current (mA) | 0 |
| Potential difference (V) | 1.6 |
|---|---|
| Current (mA) | 0 |
| Potential difference (V) | 1.8 |
|---|---|
| Current (mA) | 0 |
| Potential difference (V) | 2.0 |
|---|---|
| Current (mA) | 0 |
Analysis
Plot a graph of current against potential difference.
Evaluation
A diode only allows current to pass in one direction. In one direction, the diode's resistance is very large and there is no current. In the other direction, the diode's resistance is smaller and current will pass. In this direction, the diode's resistance is very large at low potential differences. At higher potential differences, the resistance quickly drops and a current passes.
Hazards and control measures
| Hazard | Consequence | Control measures |
| Heating of the resistance wire | Burns to the skin | Do not touch the resistance wire whilst the circuit is connected and allow it time to cool |
| Hazard | Heating of the resistance wire |
|---|---|
| Consequence | Burns to the skin |
| Control measures | Do not touch the resistance wire whilst the circuit is connected and allow it time to cool |
More guides on this topic
- Electric charge - OCR 21st Century
- Series and parallel circuits - OCR 21st Century
- Electrical power and energy - OCR 21st Century
- What are magnetic fields? - OCR 21st Century
- Electric motors - Higher - OCR 21st Century
- What is the process inside an electric generator? - Higher
- Sample exam questions - electric circuits - OCR 21st Century