Multiple choice questions
Multiple choice questions are perhaps the easiest to complete - you simply put a cross in a box - however, the questions often have two answers that could, at first glance, be correct. Don't make the mistake of reading the first answer and thinking this is correct without checking all the others.
If it says 'Tick one box', you must tick one box. If you leave it blank or tick two or more boxes, you will get zero marks. These multiple choice questions will not start with command words like 'describe' or 'explain'. They will be written in the form of a question like 'What…?' or 'Why…?'.
There will be more multiple choice questions on the Foundation paper.
Edexcel questions courtesy of Pearson Education Ltd.
Learn how to revise with Dr Alex Lathbridge
Listen to the full series on BBC Sounds.
Dr Alex Lathbridge breaks down how to revise for your GSCE science exams.
Sample question 1 - Foundation and Higher
Question
An espresso machine is an electrical appliance. The espresso machine has an electrical heater connected to a 440 V mains supply. The power of the electrical heater is 3.5 kW. The rating of a fuse is the current above which it melts.
Which of these is the most suitable fuse for the espresso machine circuit? [1 mark]
Tick one box.
| A | 1 A | |
| B | 5 A | |
| C | 10 A | |
| D | 13 A |
| A |
|---|
| 1 A |
| B |
|---|
| 5 A |
| C |
|---|
| 10 A |
| D |
|---|
| 13 A |
| A | 1 A | |
| B | 5 A | |
| C | 10 A | ✔ |
| D | 13 A |
| A |
|---|
| 1 A |
| B |
|---|
| 5 A |
| C |
|---|
| 10 A |
| ✔ |
| D |
|---|
| 13 A |
To calculate the current required by the machine:
\(I = \frac{P}{V}\)
\(= \frac{3,500}{440}\)
\(= 7.95~A\)
Choose the lowest fuse rating that is greater than 7.95 A (in this case, 10 A).
Sample question 2 - Foundation and Higher
Question
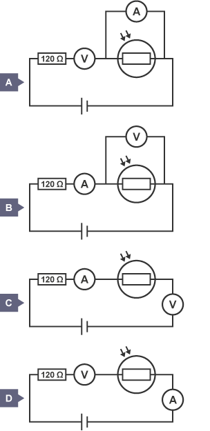
A technician investigates a light-dependent resistor (LDR) connected in series with a 120 Ω resistor and a voltage source. The technician measures the voltage across the LDR and also the current in the LDR.
Which one of these circuits should the technician use? [1 mark]
Circuit B [1]
Voltmeters should always be in parallel. Ammeters should always be in series.
Sample question 3 - Foundation and Higher
Question
A student uses an electric kettle. It works from the 230 V mains supply.
A potential difference of 1 volt is the same as… [1 mark]
| A | 1 joule per coulomb. | |
| B | 1 joule per ohm. | |
| C | 1 watt per ohm. | |
| D | 1 watt per coulomb. |
| A |
|---|
| 1 joule per coulomb. |
| B |
|---|
| 1 joule per ohm. |
| C |
|---|
| 1 watt per ohm. |
| D |
|---|
| 1 watt per coulomb. |
Tick one box.
| A | 1 joule per coulomb. | ✔ |
| B | 1 joule per ohm. | |
| C | 1 watt per ohm. | |
| D | 1 watt per coulomb. |
| A |
|---|
| 1 joule per coulomb. |
| ✔ |
| B |
|---|
| 1 joule per ohm. |
| C |
|---|
| 1 watt per ohm. |
| D |
|---|
| 1 watt per coulomb. |